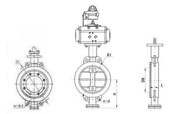
氣動對夾式蝶閥概述:
氣動對夾式蝶閥顧名思義就是采用對夾的方式,將蝶閥夾在管道的兩端法蘭之間,然后用一組螺栓穿過螺栓孔固定起來。氣動對夾式蝶閥的閥體體積小,閥體厚度相對比較薄,特別適合用在管道兩端距離偏短或空間有限的場合里。氣動對夾式蝶閥根據密封結構不同分為軟密封和金屬密封,其中軟密封蝶閥為中線型結構,具有防腐蝕、零泄漏等優點,而硬密封蝶閥為三偏心式,具有磨損少、使用壽命長等優點。

氣動對夾式軟密封蝶閥 氣動對夾式硬密封蝶閥
氣動對夾式蝶閥原理:
氣動對夾式蝶閥是以壓縮空氣0.4-0.7MPa的氣源為動力,驅動閥桿帶動帶碟板在閥體內做0-90度的旋轉,達到對蝶閥全開和全關的操作控*。氣動對夾蝶閥可根據工況要求,對執行器裝配閥門定位器,輸入4-20mA的相關信號,從而控*蝶閥碟板的開度大小,實現對管道中介質的壓力、流量、溫度、液位等參數的百分比*準調節。氣動對夾蝶閥不僅可用于工業自動控*系統中作就地控*,也可進行遠距離集中控*,是工業管道中應用優*選用的系統裝置之一。
氣動對夾式蝶閥附件選項:
回訊器:也叫限位開關,遠程反饋開關信號
電磁閥:雙作用選二位五通、單作用選二位三通
三聯件:可對氣源穩壓、過濾、氣缸加潤滑油 YT-200
手輪機構:可配手輪機構,應急時實現手動開、關閥
閥門定位器:輸入4~20mA信號,實現閥門調節功能
低壓氣密試驗:0.5~0.7
強度試驗:0.9 1.5 2.4 3.75
密封試驗:0.66 1.1 1.76 2.75 |
 |
氣動對夾式蝶閥技術參數:
公稱通徑 |
DN25~DN800(mm) |
公稱壓力 |
PN0.6、1.0、1.6、2.5MPa |
驅動方式 |
氣源驅動,壓縮空氣5~7bar(可帶手輪) |
連接形式 |
對夾式連接 |
密封材料 |
軟密封(橡膠、PTFE、PPL)、硬密封 |
使用溫度 |
軟密封≤180℃,金屬密封≤550℃ |
可選配件 |
限位開關、定位器、電磁閥、減壓閥 |
適用介質 |
污水、水、蒸氣、油品、腐蝕性介質等 |
作用形式 |
單作用(氣開、氣關式)、雙作用(調節控*型4~20mA) |
氣動對夾式蝶閥安裝須知:
氣動對夾蝶閥一般不能用于管線的末端和下游需要拆卸的場合,因為當下游的法蘭拆卸下來的時候,對夾式的閥門會掉下來,這種情況就必須要在另外做短節以便拆卸,而法蘭式蝶閥不存在上面的問題,但是成本會比較高。
氣動對夾蝶閥和法蘭蝶閥用途相同,都是對介質流量進行開關或調節,它們的不同在于安裝形式,當壓力過大時,一般都建議法蘭式蝶閥相對好一些,對于具有危險性的流體也建議使用法蘭式蝶閥。
相關產品: 電動對夾式蝶閥 氣動對夾式襯氟蝶閥 氣動對夾式襯膠蝶閥 氣動對夾中線蝶閥